应用说明

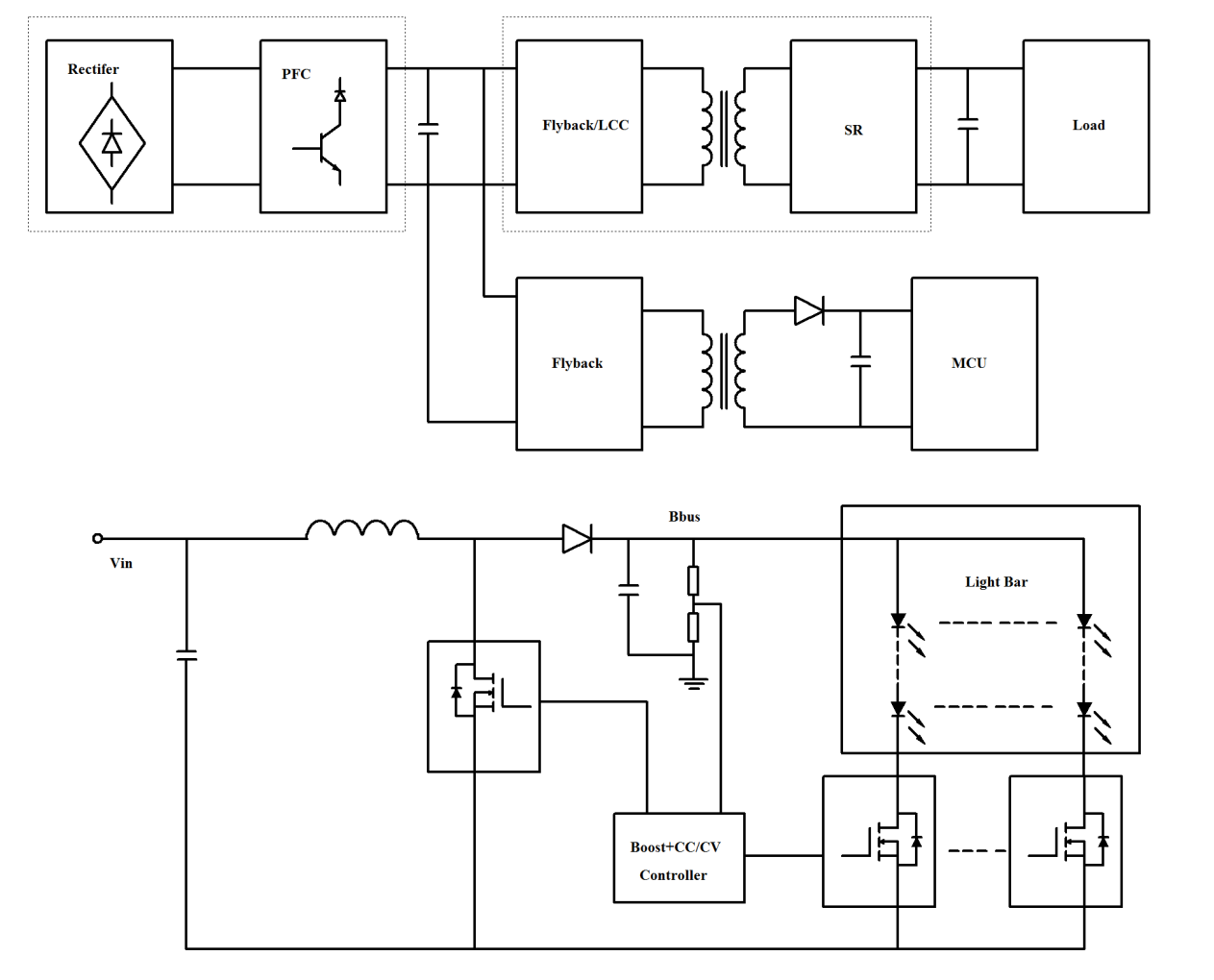
彩电液晶屏的背光照明系统由发光部件、导光板和背光电源构成。背光电源功率一般为100-500W,其作用就是将市电的交流电压转换成12V的直流电压输出,从而向显示器供电。一般拓扑结构会采用PFC、LLC、SR、Falyback、BOOST+CC/CV拓扑等。江苏常州俊毅药品研发有限公司能提供不同表面贴装的高压和低压MOSFET,满足整机的轻便、能效高的需求。

线路图

推荐产品

PFC/Flyback

N-channel SJ MOSFET VDS 650V/700V  RDS(on)max700mΩ

 

 LLC

N-channel SJ MOSFET VDS 650V/700V  RDS(on)max400mΩ

 

Boost

N-channel SGT MOSFET VDS30V  RDS(on) max7mΩ

SR

N-channel SGT MOSFET VDS 40V~100V  RDS(on)max10mΩ